產品特點:
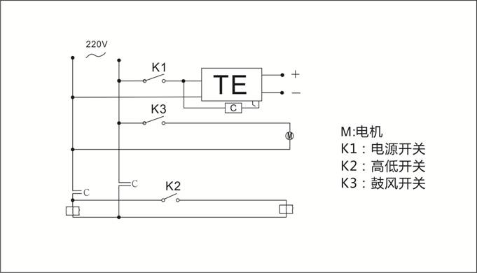
儀器用途: 101、202型電熱恒溫鼓風干燥箱最高工作溫度均為300℃。它適用于烘焙、干燥箱熱處理或其他加熱用。也是實驗室常備儀器。 干燥箱之工作溫度可由室溫升30℃起至最高溫度止
|
項 目 型 號 |
工作 電壓 V |
加熱 器總 功率 KW |
工作 溫度 ℃ |
控溫 靈敏 度 ℃ |
工作室尺寸 | 外形尺寸 |
重量 KG |
內箱材質 | ||||
| 深 | 寬 | 高 | 深 | 寬 | 高 | |||||||
| 101-0 | 220 | 1.2 | 50-300 | ±1 | 250 | 250 | 250 | 360 | 505 | 390 | 25 | 鍍鋅 |
| 101-00 | 220 | 1.8 | 50-300 | ±1 | 350 | 350 | 350 | 460 | 650 | 520 | 35 | 鍍鋅 |
| 101-1 | 220 | 2.5 | 50-300 | ±1 | 350 | 450 | 450 | 460 | 750 | 620 | 60 | 鍍鋅 |
| 101-2 | 220 | 3.2 | 50-300 | ±1 | 450 | 550 | 550 | 560 | 850 | 720 | 80 | 鍍鋅 |
| 101-3 | 220 | 6 | 50-300 | ±1 | 500 | 600 | 750 | 610 | 925 | 920 | 100 | 鍍鋅 |
| 101-4 | 380 | 7 | 50-300 | ±1 | 800 | 800 | 1000 | 1140 | 1370 | 1170 | 200 | 鍍鋅 |
| 101-0B | 220 | 1.2 | 50-300 | ±1 | 250 | 250 | 250 | 360 | 505 | 390 | 25 | 不銹鋼 |
| 101-00B | 220 | 1.8 | 50-300 | ±1 | 350 | 350 | 350 | 460 | 650 | 520 | 35 | 不銹鋼 |
| 101-1B | 220 | 2.5 | 50-300 | ±1 | 350 | 450 | 450 | 460 | 750 | 620 | 60 | 不銹鋼 |
| 101-2B | 220 | 3.2 | 50-300 | ±1 | 450 | 550 | 550 | 560 | 850 | 720 | 80 | 不銹鋼 |
| 101-3B | 220 | 6 | 50-300 | ±1 | 500 | 600 | 750 | 610 | 925 | 920 | 100 | 不銹鋼 |
| 101-4B | 380 | 7 | 50-300 | ±1 | 800 | 800 | 1000 | 1140 | 1370 | 1170 | 200 | 不銹鋼 |

| 電熱鼓風干燥箱裝箱清單 | ||
| 名稱 | 數量 | 備注 |
| 主機 | 1 | 標配 |
| 隔板 | 2 | 標配 |
| 說明書 | 1 | 標配 |
| 合格證 | 1 | 標配 |
聯系電話